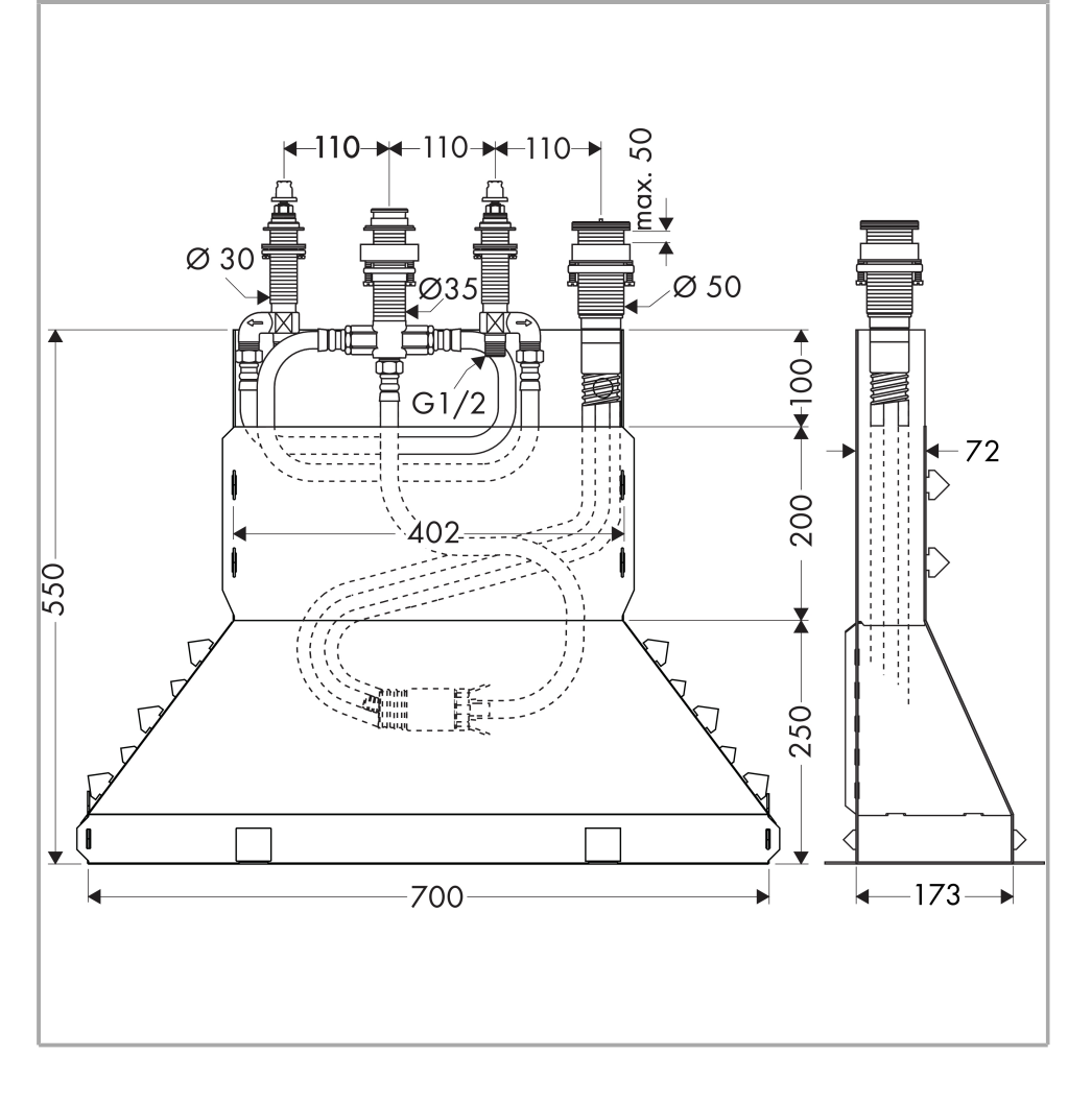
Axor 四孔浴缸龍頭安裝基礎套件 15480180
Axor 四孔浴缸龍頭專用
隱藏式安裝配件盒:這個隱藏在浴缸檯面下的盒子,能像捲尺一樣管理軟管。當您不需要使用手持花灑時,軟管會完全隱形,只留下精緻的龍頭在檯面上。
防漏水保護: 這是最重要的功能!當您剛洗完澡,溼答答的軟管縮回檯面下時,水滴會順著軟管流下去。Secuflex 盒能 接住這些殘水,並透過排水管排出,防止水滴在浴缸底下的陰暗處造成積水、壁癌或發霉。
Universal AXOR Fit (AXOR 通用): 專為 AXOR 高階系列的 「四孔 (4-Hole)」 檯面龍頭設計,如 AXOR Citterio, AXOR Starck, AXOR Urquiola 等。
規格
Secuflex 淋浴軟管套件、Secubox
手持蓮蓬頭最大拉出長度:110 cm
連接尺寸:1/2″
貨況:期貨






